A: LIST

1. DTC TABLE
NOTE: When more than one DTC codes are recorded, referring to their combination and indicator display in the combination meter will make it easy to identify the possible cause. Refer to the list for typical examples.















Diagnostic Procedure with Diagnostic Trouble Code (DTC)
A: COMMUNICATION FOR INITIALIZING IMPOSSIBLE
NOTE:
DIAGNOSIS:
Subaru Select Monitor communication line (K-line) is open or shorted.
TROUBLE SYMPTOM:
Not communicable with Subaru Select Monitor.
WIRING DIAGRAM:



CAUTION: When replacing body integrated unit on the model with immobilizer system, refer to the "PC application help for Subaru Select Monitor"
B: DTC U1201 CAN-HS COUNTER ABNORMAL
DTC DETECTING CONDITION:
Communication is unstable because of high speed CAN communication error.
TROUBLE SYMPTOM:
WIRING DIAGRAM:



C: DTC U1202 CAN-HS BUS OFF
DTC DETECTING CONDITION:
Integrated unit communication is shut down because of high speed CAN error.
TROUBLE SYMPTOM:
CAN communication is not normal.
WIRING DIAGRAM:



D: DTC U1211 CAN-HS ECM DATA ABNORMAL
DTC DETECTING CONDITION:
Defective data from ECM.
TROUBLE SYMPTOM:
Defective data on CAN communication occurs.
WIRING DIAGRAM:



E: DTC U1212 CAN-HS TCM DATA ABNORMAL
DTC DETECTING CONDITION:
Received error data from TCM.
TROUBLE SYMPTOM:
SPORT indicator light blinks.
WIRING DIAGRAM:



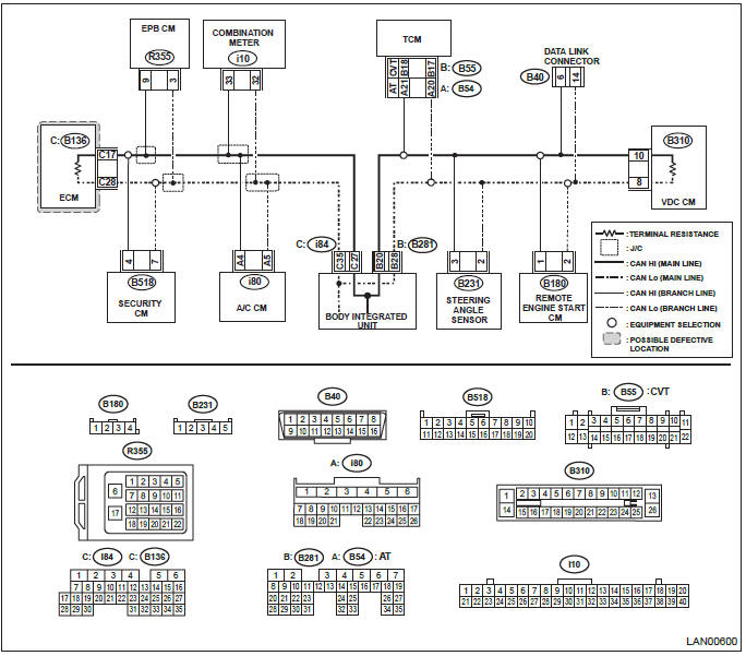
F: DTC U1213 CAN-HS VDC DATA ABNORMAL
DTC DETECTING CONDITION:
Data from VDCCM is faulty.
TROUBLE SYMPTOM:
ABS warning light and VDC warning light illuminate.
WIRING DIAGRAM:



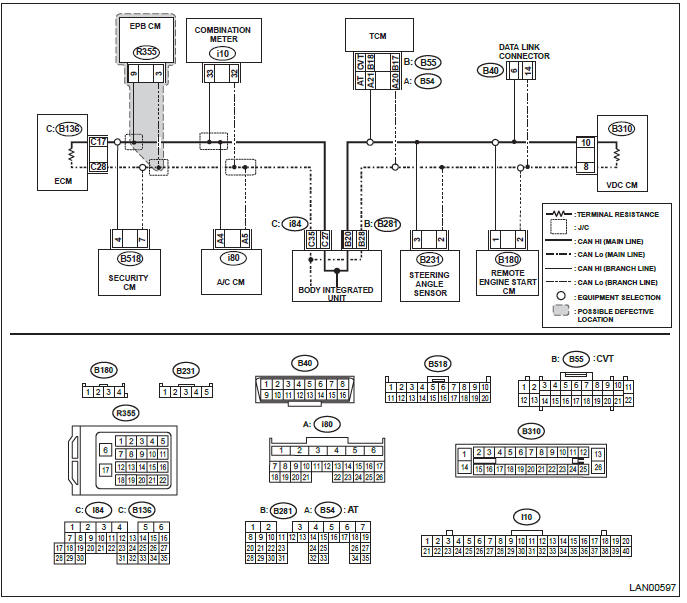
G: DTC U1219 CAN-HS EPB DATA ABNORMAL
DTC DETECTING CONDITION:
Defective data was transmitted from electronic parking brake control module.
TROUBLE SYMPTOM:
Electronic parking brake cooperation control does not operate.
WIRING DIAGRAM:



H: DTC U121A CAN-HS METER UNIT DATA ABNORMAL
DTC DETECTING CONDITION:
Defective data was transmitted from combination meter.
TROUBLE SYMPTOM:
Display of combination meter does not operate properly.
WIRING DIAGRAM:



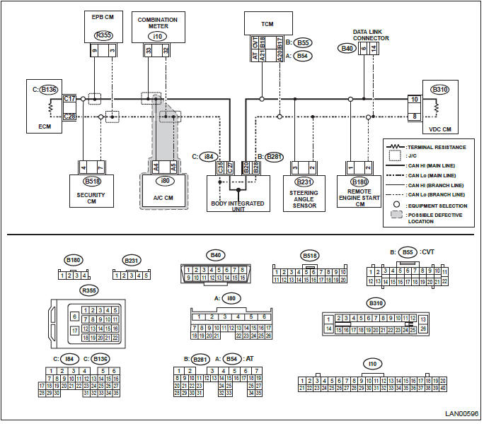
I: DTC U121B CAN-HS A/C DATA ABNORMAL
DTC DETECTING CONDITION:
Defective data was transmitted from A/C CM.
TROUBLE SYMPTOM:
Cooperation control of air conditioner does not operate properly.
WIRING DIAGRAM:



J: DTC U121C CAN-HS SCU DATA ABNORMAL
DTC DETECTING CONDITION:
Defective data was transmitted from SCM.
TROUBLE SYMPTOM:
Immobilizer does not operate normally.
WIRING DIAGRAM:



K: DTC U1221 CAN-HS ECM NO-RECEIVE DATA
DTC DETECTING CONDITION:
Not received data from ECM.
TROUBLE SYMPTOM:
Cooperation control of transmission may not operate properly.
WIRING DIAGRAM:



L: DTC U1222 CAN-HS TCM NO-RECEIVE DATA
DTC DETECTING CONDITION:
Not received data from TCM.
TROUBLE SYMPTOM:
Cooperation control with transmission is not performed.
WIRING DIAGRAM:



M: DTC U1223 CAN-HS VDC NO-RECEIVE DATA
DTC DETECTING CONDITION:
No data from VDCCM is received.
TROUBLE SYMPTOM:
ABS warning light and VDC warning light illuminate.
WIRING DIAGRAM:



N: DTC U1229 CAN-HS EPB NO-RECEIVE DATA
DTC DETECTING CONDITION:
No data from electronic parking brake control module is received.
TROUBLE SYMPTOM:
Electronic parking brake cooperation control does not operate.
WIRING DIAGRAM:



O: DTC U122A CAN-HS METER NO-RECEIVE DATA
DTC DETECTING CONDITION:
No data received from combination meter.
TROUBLE SYMPTOM:
Display of combination meter does not operate properly.
WIRING DIAGRAM:



P: DTC U122B CAN-HS A/C NO-RECEIVE DATA
DTC DETECTING CONDITION:
No data received from A/C CM.
TROUBLE SYMPTOM:
Cooperation control of air conditioner does not operate properly.
WIRING DIAGRAM:



Q: DTC U122C CAN-HS SCU NO-RECEIVE DATA
DTC DETECTING CONDITION:
No data received from SCM.
TROUBLE SYMPTOM:
Immobilizer does not operate normally.
WIRING DIAGRAM:



General Diagnostic Table
A: INSPECTION

Basic Diagnostic Procedure of Body Control System
Body Control System - List of Diagnostic Trouble Code (DTC)
Front Reduction Drive Gear
DTC 71, 72, 75, 76, 7A, 7B, 7D, 7E, 91, 92, 95, 96, 9A, 9B, 9D, 9E, A1, A2,
A3, A4, A5, AA, AB, AC, AD, BB