W: DTC 41 SIDE AIRBAG RH FAILURE
NOTE: Be sure to properly identify the Airbag system type prior to performing any diagnostics.
1. TYPE A
DTC DETECTING CONDITION:
CAUTION: Before performing diagnosis, refer to "CAUTION" in "General Description". <Ref. to AB(diag)-5, CAUTION, General Description.>
WIRING DIAGRAM:



2. TYPE B
DTC DETECTING CONDITION:
CAUTION: Before performing diagnosis, refer to "CAUTION" in "General Description". <Ref. to AB(diag)-5, CAUTION, General Description.>
WIRING DIAGRAM:



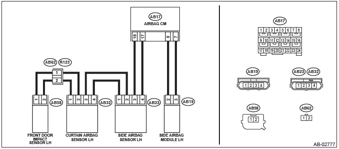
X: DTC 42 SIDE AIRBAG LH FAILURE
NOTE: Be sure to properly identify the Airbag system type prior to performing any diagnostics.
1. TYPE A
DTC DETECTING CONDITION:
CAUTION: Before performing diagnosis, refer to "CAUTION" in "General Description". <Ref. to AB(diag)-5, CAUTION, General Description.>
WIRING DIAGRAM:



2. TYPE B
DTC DETECTING CONDITION:
CAUTION: Before performing diagnosis, refer to "CAUTION" in "General Description". <Ref. to AB(diag)-5, CAUTION, General Description.>
WIRING DIAGRAM:



Y: DTC 45 SIDE AIRBAG RH FAILURE
DTC DETECTING CONDITION:
CAUTION: Before performing diagnosis, refer to "CAUTION" in "General Description". <Ref. to AB(diag)-5, CAUTION, General Description.>
WIRING DIAGRAM:




Z: DTC 46 SIDE AIRBAG LH FAILURE
DTC DETECTING CONDITION:
CAUTION: Before performing diagnosis, refer to "CAUTION" in "General Description". <Ref. to AB(diag)-5, CAUTION, General Description.>
WIRING DIAGRAM:




AA:DTC 4A SIDE AIRBAG RH FAILURE
DTC DETECTING CONDITION:
CAUTION: Before performing diagnosis, refer to "CAUTION" in "General Description". <Ref. to AB(diag)-5, CAUTION, General Description.>
WIRING DIAGRAM:



AB:DTC 4B SIDE AIRBAG LH FAILURE
DTC DETECTING CONDITION:
CAUTION: Before performing diagnosis, refer to "CAUTION" in "General Description". <Ref. to AB(diag)-5, CAUTION, General Description.>
WIRING DIAGRAM:



AC:DTC 4D SIDE AIRBAG RH FAILURE
DTC DETECTING CONDITION:
CAUTION: Before performing diagnosis, refer to "CAUTION" in "General Description". <Ref. to AB(diag)-5, CAUTION, General Description.>
WIRING DIAGRAM:



AD:DTC 4E SIDE AIRBAG LH FAILURE
DTC DETECTING CONDITION:
CAUTION: Before performing diagnosis, refer to "CAUTION" in "General Description". <Ref. to AB(diag)-5, CAUTION, General Description.>
WIRING DIAGRAM:



AE:DTC 53 SIDE AIRBAG SENSOR RH FAILURE
DTC DETECTING CONDITION:
Side airbag sensor (RH) is faulty.
When DTC 53 is displayed, the circuit within the side airbag sensor (RH) is faulty.
Replace the side airbag sensor (RH). <Ref. to AB-81, Side Airbag Sensor.>
AF:DTC 54 SIDE AIRBAG SENSOR LH FAILURE
DTC DETECTING CONDITION:
Side airbag sensor (LH) is faulty.
When DTC 54 is displayed, the circuit within the side airbag sensor (LH) is faulty.
Replace the side airbag sensor (LH). <Ref. to AB-81, Side Airbag Sensor.>
AG:DTC 55 SIDE CURTAIN AIRBAG FIRING OUTPUT
This DTC is displayed when the side airbag module and curtain airbag module are deployed.
Once this DTC is displayed, the memory cannot be cleared. Replace the following parts.
AH:DTC 58 CURTAIN AIRBAG SENSOR RH FAILURE
DTC DETECTING CONDITION:
Curtain airbag sensor (RH) is faulty.
If DTC 58 is displayed, the circuit within the curtain airbag sensor (RH) is faulty.
Replace the curtain airbag sensor (RH). <Ref. to AB-87, Curtain Airbag Sensor.>
AI: DTC 59 CURTAIN AIRBAG SENSOR LH FAILURE
DTC DETECTING CONDITION:
Curtain airbag sensor (LH) is faulty.
If DTC 59 is displayed, the circuit within the curtain airbag sensor (LH) is faulty.
Replace the curtain airbag sensor (LH). <Ref. to AB-87, Curtain Airbag Sensor.>
AJ:DTC 5A SIDE AIRBAG SENSOR RH FALSE INSTALLATION
DTC DETECTING CONDITION:
Side A/B sensor RH is misinstalled.

AK:DTC 5B SIDE AIRBAG SENSOR LH FALSE INSTALLATION
DTC DETECTING CONDITION:
Side A/B sensor LH is misinstalled.

AL:DTC 5C CURTAIN AIRBAG SENSOR RH FALSE INSTALLATION
DTC DETECTING CONDITION:
Curtain side airbag sensor RH is misinstalled.

AM:DTC 5D CURTAIN AIRBAG SENSOR LH FALSE INSTALLATION
DTC DETECTING CONDITION:
Curtain side airbag sensor LH is misinstalled.

AN:DTC 61 BELT PRETENSIONER RH FAILURE
NOTE: Be sure to properly identify the Airbag system type prior to performing any diagnostics.
1. TYPE A
DTC DETECTING CONDITION:
CAUTION: Before performing diagnosis, refer to "CAUTION" in "General Description". <Ref. to AB(diag)-5, CAUTION, General Description.>
WIRING DIAGRAM:



2. TYPE B
DTC DETECTING CONDITION:
CAUTION: Before performing diagnosis, refer to "CAUTION" in "General Description". <Ref. to AB(diag)-5, CAUTION, General Description.>
WIRING DIAGRAM:



AO:DTC 62 BELT PRETENSIONER LH FAILURE
NOTE: Be sure to properly identify the Airbag system type prior to performing any diagnostics.
1. TYPE A
DTC DETECTING CONDITION:
CAUTION: Before performing diagnosis, refer to "CAUTION" in "General Description". <Ref. to AB(diag)-5, CAUTION, General Description.>
WIRING DIAGRAM:



2. TYPE B
DTC DETECTING CONDITION:
CAUTION: Before performing diagnosis, refer to "CAUTION" in "General Description". <Ref. to AB(diag)-5, CAUTION, General Description.>
WIRING DIAGRAM:



AP:DTC 65 BELT PRETENSIONER RH FAILURE
DTC DETECTING CONDITION:
CAUTION: Before performing diagnosis, refer to "CAUTION" in "General Description". <Ref. to AB(diag)-5, CAUTION, General Description.>
WIRING DIAGRAM:



AQ:DTC 66 BELT PRETENSIONER LH FAILURE
DTC DETECTING CONDITION:
CAUTION: Before performing diagnosis, refer to "CAUTION" in "General Description". <Ref. to AB(diag)-5, CAUTION, General Description.>
WIRING DIAGRAM:



AR:DTC 6A BELT PRETENSIONER RH FAILURE
DTC DETECTING CONDITION:
CAUTION: Before performing diagnosis, refer to "CAUTION" in "General Description". <Ref. to AB(diag)-5, CAUTION, General Description.>
WIRING DIAGRAM:



AS:DTC 6B BELT PRETENSIONER LH FAILURE
DTC DETECTING CONDITION:
CAUTION: Before performing diagnosis, refer to "CAUTION" in "General Description". <Ref. to AB(diag)-5, CAUTION, General Description.>
WIRING DIAGRAM:



AT:DTC 6D BELT PRETENSIONER RH FAILURE
DTC DETECTING CONDITION:
CAUTION: Before performing diagnosis, refer to "CAUTION" in "General Description". <Ref. to AB(diag)-5, CAUTION, General Description.>
WIRING DIAGRAM:



AU:DTC 6E BELT PRETENSIONER LH FAILURE
DTC DETECTING CONDITION:
CAUTION: Before performing diagnosis, refer to "CAUTION" in "General Description". <Ref. to AB(diag)-5, CAUTION, General Description.>
WIRING DIAGRAM:



DTC 71, 72, 75, 76, 7A, 7B, 7D, 7E, 91, 92, 95, 96, 9A, 9B, 9D, 9E, A1, A2,
A3, A4, A5, AA, AB, AC, AD, BB
DTC E2, E3, E4, E6, E7, E8, E9, EA, EB, EC, ED, EE, F1, F2, F3, F4, F5, F6
Occupant Detection System (Diagnostics)
General Description of Continuously Variable Transmission
Occupant Detection System (Diagnostics)