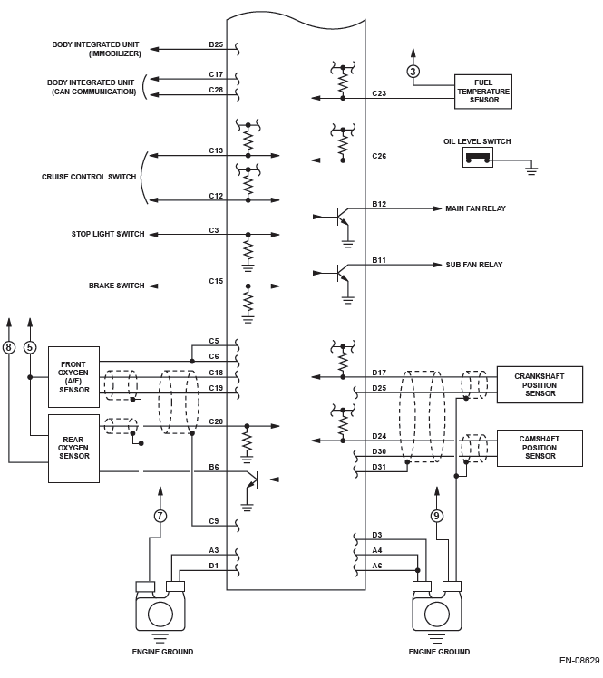
A: ELECTRICAL SPECIFICATION





Input/output name:
Measuring condition:





Engine Condition Data
A: ELECTRICAL SPECIFICATION

Measuring condition:
Data Link Connector
A: NOTE
This connector is used for Subaru Select Monitor.
CAUTION: Do not connect any scan tools other than Subaru Select Monitor or general scan tool because the circuit for Subaru Select Monitor may be damaged.


General Scan Tool
A: OPERATION
1. HOW TO USE GENERAL SCAN TOOL
1) Prepare a scan tool (general scan tool) required by SAE J1978.
2) Connect the general scan tool to data link connector located in the lower portion of the instrument panel (on the driver's side).

3) Using the general scan tool, call up each data. General scan tool functions consist of:
4) Read out the data according to repair procedures. (For detailed operation procedure, refer to the general scan tool operation manual.)
NOTE: For details concerning DTC, refer to "List of Diagnostic Trouble Code (DTC)". <Ref. to EN(H4SO)(diag)-78, List of Diagnostic Trouble Code (DTC).>
2. MODE $01: (CURRENT POWERTRAIN DIAGNOSTIC DATA)
Refer to data denoting the current operating condition of analog input/output, digital input/output or the powertrain system.
A list of the support data and PID (Parameter Identification) codes are shown in the following table.


NOTE: Refer to general scan tool manufacturer's operation manual to access current powertrain diagnostic data (MODE $01).
3. MODE $02 (POWERTRAIN FREEZE FRAME DATA)
Refer to data denoting the operating condition when trouble is detected by on-board diagnosis system.
A list of the support data and PID (Parameter Identification) codes are shown in the following table.

NOTE: Refer to general scan tool manufacturer's instruction manual to access freeze frame data (MODE $02).
4. MODE $03 (EMISSION-RELATED POWERTRAIN DTC)
Refer to "List of Diagnostic Trouble Code (DTC)" for information about data denoting emission-related powertrain DTC. <Ref. to EN(H4SO)(diag)-78, List of Diagnostic Trouble Code (DTC).>
5. MODE $04 (CLEAR/RESET EMISSION-RELATED DIAGNOSTIC INFORMATION)
Refer to the mode used to clear or reset emission-related diagnostic information (OBD-II trouble diagnostic information).
NOTE:
6. MODE $06
Refer to diagnostic value of troubleshooting and data of test limit indicated on the support data bit sequence table. A list of the support data is shown in the following table.


7. MODE $07
Refer to the data of DTC (pending code) for troubleshooting result about emission in the first time.
8. MODE $09
Refer to data of vehicle specification (V.I.N., calibration ID, diagnosis frequency etc.).
Subaru Select Monitor
A: OPERATION
1. HOW TO USE SUBARU SELECT MONITOR
NOTE: For detailed operation procedures, refer to "PC application help for Subaru Select Monitor".
2. READ CURRENT DATA FOR ENGINE (NORMAL MODE)
NOTE:
*: For models without cruise control, the brake switch signal does not change.



3. READ CURRENT DATA FOR ENGINE (OBD MODE)
NOTE:



4. READ FREEZE FRAME DATA FOR ENGINE (OBD MODE)
NOTE:

5. V.I.N REGISTRATION
1) On "Main Menu" display, select {Each System Check}.
2) On "System Selection Menu" display, select {Engine Control System}.
3) Click the [OK] button after the information of engine type has been displayed.
4) On the "Engine Diagnosis" display, select {Entry VIN}.
5) Perform the procedures shown on the display screen.
Read Diagnostic Trouble Code (DTC)
A: OPERATION
1. SUBARU SELECT MONITOR
NOTE:
2. GENERAL SCAN TOOL
Refer to data denoting emission-related powertrain DTC.
For details concerning DTC, refer to "List of Diagnostic Trouble Code (DTC)". <Ref. to EN(H4SO)(diag)-78, List of Diagnostic Trouble Code (DTC).>
NOTE: Refer to general scan tool manufacturer's instruction manual to access powertrain DTC (MODE $03).
Inspection Mode
Drive Cycle
Malfunction Indicator Light
Installing forward facing child restraint
Extension Case