A: REMOVAL
1) Disconnect the ground cable from battery.
2) Remove the instrument panel lower cover. <Ref. to EI-64, REMOVAL, Instrument Panel Lower Cover.>
3) Disconnect the connector from clutch switch.
4) Remove the clutch switches.
B: INSTALLATION
1. CLUTCH SWITCH
1) Move the clevis pin of push rod to left and right, retain it at the position where it moves smoothly, and measure the clutch pedal stroke.
Clutch pedal full stroke A:
130 - 135 mm (5.12 - 5.31 in) (non-turbo
model)
135 - 140 mm (5.31 - 5.51 in) (turbo model)
Tightening torque: T: 8 N*m (0.8 kgf-m, 5.9 ft-lb)

2) If the clutch pedal stroke is out of specification, adjust the stroke. <Ref. to CL-29, ADJUSTMENT, Clutch Pedal.>
3) Connect the connector to the clutch switch.
2. CLUTCH START SWITCH
1) Fully depress the clutch pedal and hold it.
2) Install so that gap (A) of the clutch pedal plate and clutch start switch is 2.9 mm (0.11 in), and tighten the lock nut.
Tightening torque: 8 N*m (0.8 kgf-m, 5.9 ft-lb)

3) Connect the connector to the clutch start switch.
4) Make sure that engine does not start with clutch pedal not depressed.
5) Make sure that engine starts with clutch pedal fully depressed.
C: INSPECTION
1. CLUTCH START SWITCH
1) Perform the following inspections. If the clutch start switch does not operate normally, adjust the switch, and check it again. <Ref. to CL-33, ADJUSTMENT, Clutch Switch.>
2) When the clutch start switch does not operate normally even if it is adjusted, check the clutch start switch for continuity.

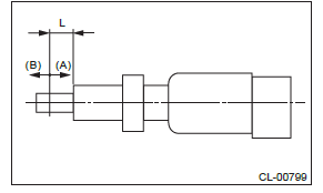
Dimension L: 4 - 5.5 mm (0.16 - 0.22 in)

2. CLUTCH SWITCH
1) Check the clutch switch for continuity.

2) When the clutch switch does not operate normally even if the clutch stroke and installation condition are normal, check the clutch switch for continuity.

Dimension L: 5 - 6.5 mm (0.2 - 0.26 in)

D: ADJUSTMENT
1) Loosen the lock nut of the clutch start switch.
2) Fully depress the clutch pedal and hold it.
3) Adjust the gap (A) of the clutch pedal plate and the clutch start switch to be 2.9 mm (0.11 in).

4) Tighten the lock nut.
Tightening torque: 8 N*m (0.8 kgf-m, 5.9 ft-lb)
General Diagnostic Table
A: INSPECTION
1. CLUTCH


2. CLUTCH PEDAL

3. DIAGNOSTIC DIAGRAM OF CLUTCH DRAG

General Description of Front Suspension
Tire size
General Description of Continuously Variable Transmission