A: LIST



Diagnostic Procedure with Diagnostic Trouble Code (DTC)
A: DTC P0705 TRANSMISSION RANGE SENSOR CIRCUIT (PRNDL INPUT)
DTC DETECTING CONDITION:
The inhibitor switch is open or short.
TROUBLE SYMPTOM:
WIRING DIAGRAM:





B: DTC P0712 TRANSMISSION FLUID TEMPERATURE SENSOR CIRCUIT LOW INPUT
DTC DETECTING CONDITION:
Input signal circuit to ATF temperature sensor is open.
TROUBLE SYMPTOM:
Excessive shift shock
WIRING DIAGRAM:



C: DTC P0713 TRANSMISSION FLUID TEMPERATURE SENSOR CIRCUIT HIGH INPUT
DTC DETECTING CONDITION:
Input signal circuit to ATF temperature sensor is shorted.
TROUBLE SYMPTOM:
Excessive shift shock
WIRING DIAGRAM:



D: DTC P0715 INPUT/TURBINE SPEED SENSOR CIRCUIT
DTC DETECTING CONDITION:
Input signal circuit of TCM is open or shorted.
TROUBLE SYMPTOM:
WIRING DIAGRAM:



E: DTC P0719 BRAKE SWITCH CIRCUIT LOW
DTC DETECTING CONDITION:
Brake switch malfunction, open input signal circuit
TROUBLE SYMPTOM:
Brake down control does not operate in manual mode.
WIRING DIAGRAM:



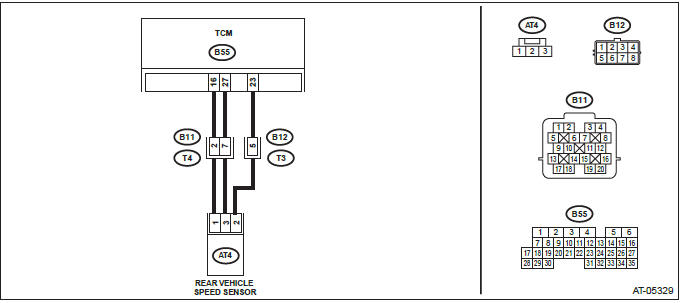
F: DTC P0720 OUTPUT SPEED SENSOR CIRCUIT
DTC DETECTING CONDITION:
TROUBLE SYMPTOM:
WIRING DIAGRAM:




G: DTC P0724 BRAKE SWITCH CIRCUIT HIGH
DTC DETECTING CONDITION:
Brake switch malfunction, open input signal circuit
TROUBLE SYMPTOM:
Gear is not shifted down when climbing a hill.
WIRING DIAGRAM:



H: DTC P0731 GEAR 1 INCORRECT RATIO
NOTE: Refer to DTC P0736 for diagnostic procedure. <Ref. to 5AT(diag)-53, DTC P0736 REVERSE INCORRECT RATIO, Diagnostic Procedure with Diagnostic Trouble Code (DTC).>
I: DTC P0732 GEAR 2 INCORRECT RATIO
NOTE: Refer to DTC P0736 for diagnostic procedure. <Ref. to 5AT(diag)-53, DTC P0736 REVERSE INCORRECT RATIO, Diagnostic Procedure with Diagnostic Trouble Code (DTC).>
J: DTC P0733 GEAR 3 INCORRECT RATIO
NOTE: Refer to DTC P0736 for diagnostic procedure. <Ref. to 5AT(diag)-53, DTC P0736 REVERSE INCORRECT RATIO, Diagnostic Procedure with Diagnostic Trouble Code (DTC).>
K: DTC P0734 GEAR 4 INCORRECT RATIO
NOTE: Refer to DTC P0736 for diagnostic procedure. <Ref. to 5AT(diag)-53, DTC P0736 REVERSE INCORRECT RATIO, Diagnostic Procedure with Diagnostic Trouble Code (DTC).>
L: DTC P0735 GEAR 5 INCORRECT RATIO
NOTE: Refer to DTC P0736 for diagnostic procedure. <Ref. to 5AT(diag)-53, DTC P0736 REVERSE INCORRECT RATIO, Diagnostic Procedure with Diagnostic Trouble Code (DTC).>
M: DTC P0736 REVERSE INCORRECT RATIO
DTC DETECTING CONDITION:
Target gear ratio and actual gear ratio do not match.
TROUBLE SYMPTOM:

N: DTC P0741 TORQUE CONVERTER CLUTCH CIRCUIT PERFORMANCE OR STUCK OFF
DTC DETECTING CONDITION:
TROUBLE SYMPTOM:
No lock-up occurs. (After engine is warmed up)

O: DTC P0743 TORQUE CONVERTER CLUTCH CIRCUIT ELECTRICAL
DTC DETECTING CONDITION:
The output signal circuit of lock up solenoid is open or shorted.
TROUBLE SYMPTOM:
No lock-up occurs. (After engine is warmed up)
WIRING DIAGRAM:



P: DTC P0748 PRESSURE CONTROL SOLENOID "A" ELECTRICAL
DTC DETECTING CONDITION:
Output signal circuit of line pressure solenoid is open or shorted.
TROUBLE SYMPTOM:
Excessive shift shock
WIRING DIAGRAM:



Q: DTC P0751 SHIFT SOLENOID "A" PERFORMANCE OR STUCK OFF
DTC DETECTING CONDITION:
Output signal of front brake solenoid does not match with oil pressure.
TROUBLE SYMPTOM:
Locked to 1st gear.
WIRING DIAGRAM:



R: DTC P0753 SHIFT SOLENOID "A" ELECTRICAL
DTC DETECTING CONDITION:
Output signal circuit of front brake solenoid is open or shorted.
TROUBLE SYMPTOM:
Locked to 1st gear.
WIRING DIAGRAM:



S: DTC P0756 SHIFT SOLENOID "B" PERFORMANCE OR STUCK OFF
DTC DETECTING CONDITION:
Output signal value of input clutch solenoid and oil pressure does not match.
TROUBLE SYMPTOM:
Locked to 1st or 4th gear.
WIRING DIAGRAM:



T: DTC P0758 SHIFT SOLENOID "B" ELECTRICAL
DTC DETECTING CONDITION:
Output signal circuit of input clutch solenoid is open or shorted.
TROUBLE SYMPTOM:
Locked to 1st or 4th gear.
WIRING DIAGRAM:



U: DTC P0761 SHIFT SOLENOID "C" PERFORMANCE OR STUCK OFF
DTC DETECTING CONDITION:
Output signal value of high & low reverse clutch solenoid and oil pressure does not match.
TROUBLE SYMPTOM:
Locked to 1st gear.
WIRING DIAGRAM:



V: DTC P0763 SHIFT SOLENOID "C" ELECTRICAL
DTC DETECTING CONDITION:
Output signal circuit of high & low reverse clutch solenoid is open or shorted.
TROUBLE SYMPTOM:
Locked to 1st gear.
WIRING DIAGRAM:



W: DTC P0766 SHIFT SOLENOID "D" PERFORMANCE OR STUCK OFF
DTC DETECTING CONDITION:
Output signal value of direct clutch solenoid and oil pressure does not match.
TROUBLE SYMPTOM:
Locked to 1st or 4th gear.
WIRING DIAGRAM:



X: DTC P0768 SHIFT SOLENOID "D" ELECTRICAL
DTC DETECTING CONDITION:
The output signal circuit of direct clutch solenoid is open or shorted.
TROUBLE SYMPTOM:
Locked to 1st or 4th gear.
WIRING DIAGRAM:



Y: DTC P0771 SHIFT SOLENOID "E" PERFORMANCE OR STUCK OFF
DTC DETECTING CONDITION:
Output signal of forward brake solenoid does not match the oil pressure.
TROUBLE SYMPTOM:
Locked to 2nd, 3rd or 4th gear.
WIRING DIAGRAM:



Z: DTC P0773 SHIFT SOLENOID "E" ELECTRICAL
DTC DETECTING CONDITION:
Output signal circuit of forward brake solenoid is open or shorted.
TROUBLE SYMPTOM:
Locked to 2nd, 3rd or 4th gear.
WIRING DIAGRAM:



AA:DTC P0801 REVERSE INHIBIT CONTROL CIRCUIT
DTC DETECTING CONDITION:
Shift lock solenoid malfunction, open or short reverse inhibitor control circuit
TROUBLE SYMPTOM:
WIRING DIAGRAM:



AB:DTC P0817 STARTER DISABLE CIRCUIT
DTC DETECTING CONDITION:
Open or short in P/N signal output circuit
TROUBLE SYMPTOM:
WIRING DIAGRAM:



AC:DTC P0957 BACKUP LIGHT RELAY CIRCUIT LOW
DTC DETECTING CONDITION:
Output circuit of the back-up light relay is open or shorted
TROUBLE SYMPTOM:
Back-up light does not illuminate in "R" range.
WIRING DIAGRAM:



AD:DTC P0958 BACKUP LIGHT RELAY CIRCUIT HIGH
DTC DETECTING CONDITION:
Output circuit of the back-up light relay is open or shorted
TROUBLE SYMPTOM:
Back-up light does not illuminate in "R" range.
WIRING DIAGRAM:



AE:DTC P1706 AT VEHICLE SPEED SENSOR CIRCUIT MALFUNCTION (REAR WHEEL)
DTC DETECTING CONDITION:
Input signal circuit of TCM is open or shorted.
TROUBLE SYMPTOM:
Shifting quality malfunction
WIRING DIAGRAM:



AF:DTC P1707 AT AWD SOLENOID VALVE CIRCUIT MALFUNCTION
DTC DETECTING CONDITION:
Output signal circuit of transfer solenoid is open or shorted.
TROUBLE SYMPTOM:
WIRING DIAGRAM:



AG:DTC P1710 TORQUE CONVERTER TURBINE 2 SPEED SIGNAL CIRCUIT MALFUNCTION
DTC DETECTING CONDITION:
Input signal circuit of TCM is open or shorted.
TROUBLE SYMPTOM:
WIRING DIAGRAM:



AH:DTC P1718 AT CAN COMMUNICATION CIRCUIT
NOTE: Refer to "LAN SYSTEM" for diagnostic procedure. <Ref. to LAN(diag)-2, Basic Diagnostic Procedure.>
AI: DTC P1724 AT EEPROM ERROR
DTC DETECTING CONDITION:
TCM EEPROM malfunction
TROUBLE SYMPTOM:

AJ:DTC P1817 SPORTS MODE SWITCH CIRCUIT (MANUAL SWITCH)
DTC DETECTING CONDITION:
Input signal circuit of manual mode switch is open or shorted.
TROUBLE SYMPTOM:
WIRING DIAGRAM:



AK:DTC P1840 TRANSMISSION FLUID PRESSURE SENSOR SWITCH A CIRCUIT
DTC DETECTING CONDITION:
Front brake oil pressure switch malfunction
TROUBLE SYMPTOM:
Excessive shift shock
NOTE: Refer to DTC P0751 for diagnostic procedure. <Ref. to 5AT(diag)-59, DTC P0751 SHIFT SOLENOID "A" PERFORMANCE OR STUCK OFF, Diagnostic Procedure with Diagnostic Trouble Code (DTC).>
AL:DTC P1841 TRANSMISSION FLUID PRESSURE SENSOR SWITCH B CIRCUIT
DTC DETECTING CONDITION:
Forward brake oil pressure switch malfunction.
TROUBLE SYMPTOM:
Excessive shift shock
NOTE: Refer to DTC P0771 for diagnostic procedure. <Ref. to 5AT(diag)-75, DTC P0771 SHIFT SOLENOID "E" PERFORMANCE OR STUCK OFF, Diagnostic Procedure with Diagnostic Trouble Code (DTC).>
AM:DTC P1842 TRANSMISSION FLUID PRESSURE SENSOR SWITCH C CIRCUIT
DTC DETECTING CONDITION:
Input clutch oil pressure switch is malfunction.
TROUBLE SYMPTOM:
Excessive shift shock
NOTE: Refer to DTC P0756 for diagnostic procedure. <Ref. to 5AT(diag)-63, DTC P0756 SHIFT SOLENOID "B" PERFORMANCE OR STUCK OFF, Diagnostic Procedure with Diagnostic Trouble Code (DTC).>
AN:DTC P1843 TRANSMISSION FLUID PRESSURE SENSOR SWITCH D CIRCUIT
DTC DETECTING CONDITION:
Direct clutch oil pressure switch malfunction.
TROUBLE SYMPTOM:
Excessive shift shock
NOTE: Refer to DTC P0766 for diagnostic procedure. <Ref. to 5AT(diag)-71, DTC P0766 SHIFT SOLENOID "D" PERFORMANCE OR STUCK OFF, Diagnostic Procedure with Diagnostic Trouble Code (DTC).>
AO:DTC P1844 TRANSMISSION FLUID PRESSURE SENSOR SWITCH E CIRCUIT
DTC DETECTING CONDITION:
High & low reverse clutch oil pressure switch malfunction.
TROUBLE SYMPTOM:
Excessive shift shock
NOTE: Refer to DTC P0761 for diagnostic procedure. <Ref. to 5AT(diag)-67, DTC P0761 SHIFT SOLENOID "C" PERFORMANCE OR STUCK OFF, Diagnostic Procedure with Diagnostic Trouble Code (DTC).>
Diagnostic Procedure without Diagnostic Trouble Code (DTC)
A: CHECK SHIFT INDICATOR
DIAGNOSIS:
TROUBLE SYMPTOM:
WIRING DIAGRAM:


Diagnostics with Phenomenon
A: INSPECTION








General Description of Manual Transmission
Transmission Gear Oil
DTC P0327, P0328, P0335, P0336, P0340, P0341, P0351, P0352, P0353, P0354,
P0400, P0420
Anti-entrapment function