A: PROCEDURE


Check List for Interview
A: CHECK
Check the following items when a problem has occurred.
NOTE: Use copies of this page for interviewing customers.

General Description
A: CAUTION
1. SUPPLEMENTAL RESTRAINT SYSTEM "AIRBAG"
The airbag system wiring harness is routed near the TCM.
CAUTION:
2. MEASUREMENT
When measuring the voltage and resistance of the ECM, TCM or each sensor, use a tapered pin with a diameter of less than 0.64 mm (0.025 in) in order to avoid poor contact. Do not insert a pin of more than 0.65 mm (0.026 in) diameter.
B: INSPECTION
1. BATTERY
Measure the battery voltage and specific gravity of the electrolyte.
Standard voltage: 12 V or more
Specific gravity: 1.260 or more
2. TRANSMISSION GROUND
Make sure that the ground terminal bolt is tightened securely.
Tightening torque: 7 N*m (0.7 kgf-m, 5.2 ft-lb)

3. ATF LEVEL
Make sure that ATF level is the specified amount.
<Ref. to 5AT-29, INSPECTION, Automatic Transmission Fluid.>

4. FRONT DIFFERENTIAL OIL LEVEL
Make sure the front differential oil level is the specified amount. <Ref. to 5AT-31, INSPECTION, Differential Gear Oil.>

5. OPERATION OF SHIFT SELECT LEVER
Make sure there is no noise, dragging or contact pattern in each select lever range.
WARNING: Stop the engine while checking operation of the select lever.
C: PREPARATION TOOL
1. SPECIAL TOOL

2. GENERAL TOOL

Electrical Component Location
A: LOCATION
1. CONTROL MODULE


2. SENSOR


3. SOLENOID

4. OIL PRESSURE SWITCH

Transmission Control Module (TCM) I/O Signal
A: ELECTRICAL SPECIFICATION

NOTE: Measure after warming up.




Subaru Select Monitor
A: OPERATION
For detailed operation procedures, refer to "PC application help for Subaru Select Monitor".
Read Current Data
A: OPERATION
For detailed operation procedures, refer to "PC application help for Subaru Select Monitor".


Read Diagnostic Trouble Code (DTC)
A: OPERATION
For detailed operation procedures, refer to "PC application help for Subaru Select Monitor".
NOTE: For details concerning DTC, refer to List of Diagnostic Trouble Code (DTC). <Ref. to 5AT(diag)-33, List of Diagnostic Trouble Code (DTC).>
Clear Memory Mode
A: OPERATION
For detailed operation procedures, refer to "PC application help for Subaru Select Monitor".
NOTE:
<Ref. to 5AT(diag)-23, Learning Control.>
Inspection Mode
A: PROCEDURE
CAUTION: Observe the traffic law when driving on public roads.
1) Shift the select lever to "D" range, and then drive the vehicle with changing the gear from 1st to 5th.
2) When driving the vehicle at 5th speed of "D" range, set the gear to manual mode and drive the vehicle by downshifting using "-" of the paddle shift switch from 5th → 4th, 4th → 3rd, 3rd → 2nd, and 2nd → 1st.
NOTE: At shifting down, drive the vehicle at least 10 seconds in each speed.
3) Shift the select lever to "R" range and drive the vehicle for 2 seconds or more.
Learning Control
A: GENERAL DESCRIPTION
Replacement of TCM/Replacement or disassembly of transmission assembly/Replacement of control valve body/Performing "Clear Memories 2".
B: PROCEDURE
1. PREPARATION FOR LEARNING
1) Warm up or cool down the vehicle until the ATF temperature displayed on the Subaru Select Monitor is 60 - 80ºC (140 - 176ºF).
2) Shift the select lever to "P" range.
3) Apply the electronic parking brake.
4) Lift up the vehicle.
CAUTION: While working, be sure to keep the lower edge of the tires 30 cm or more above the ground as vehicle will vibrate.
5) Connect the Subaru Select Monitor to data link connector.
6) Turn the ignition switch to ON.
7) Turn off all switches causing an electrical load, such as headlights, A/C, seat heater and rear defogger, etc.
2. SIMPLE LEARNING
NOTE: Simple learning is performed with the vehicle lifted, without actually running the vehicle.
CAUTION: Do not turn the power of the Subaru Select Monitor OFF during work, and do not disconnect the data link connector.
1) Select {AT related learning & inspecting mode} in the "Transmission Diagnosis" display screen of the Subaru Select Monitor.
2) Select {AT learning mode} in the "AT related learning & inspecting mode" screen of the Subaru Select Monitor.
3) Follow the messages displayed on the Subaru Select Monitor screen when working.
NOTE: For the messages "SHIFT control system learning in progress" and "AWD control system learning in progress", AT OIL TEMP light in the combination meter blinks at a cycle of 2 Hz before learning operation starts. When AT OIL TEMP light in the combination meter goes off, the following message is displayed on the screen. When operation ends abnormally during the learning, AT OIL TEMP light blinks at a cycle of 4 Hz.
4) When "AT learning normally ended." is displayed, simple AT learning is completed.
NOTE:

3. DRIVING CHECK
Drive the vehicle to check that there is no malfunction such as shifting shock.
When shifting shock is felt, perform learning again.
When reducing of shifting shock is not felt, check that other parts are normal.
AT OIL TEMP Warning Light Display
A: OPERATION
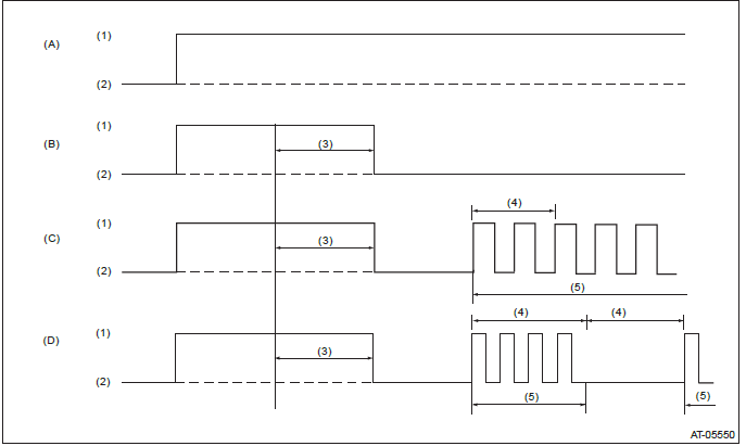
When any on-board diagnostics item is malfunctioning, or the learning has not yet completed, AT OIL TEMP light blinks. Blinking continues from the engine start to the ignition switch OFF. The malfunctioning part or unit can be determined by a DTC. Problems which occurred previously can also be identified through the memory function. If the AT OIL TEMP light does not blink although a problem is occurring, the problem can be determined by checking the performance characteristics of each sensor using the Subaru Select Monitor. If the learning has not yet completed, "AT learning not completed" is displayed when the Subaru Select Monitor is connected while AT OIL TEMP light is blinking. The AT OIL TEMP light blinking will go off, when the learning is performed. Indicator light signal patterns are as shown in the figure.

When the AT OIL TEMP light does not operate normally, check the AT OIL TEMP light circuit. <Ref. to 5AT(diag)-26, INSPECTION, AT OIL TEMP Warning Light Display.>
B: INSPECTION
DIAGNOSIS:
TROUBLE SYMPTOM:
WIRING DIAGRAM:



AWD Warning Light Display
A: OPERATION
AWD warning light illuminates or blinks at start, or when AWD is faulty.
AWD light always illuminates when the ignition switch is ON (engine OFF). Light goes off after two seconds from engine ON.
AWD warning light blinks at 2 Hz, when tires with different diameters are installed, or when the vehicle is driven with air pressure of any of the four tires significantly low.

If the AWD light does not illuminate, or illumination patterns are not as above, check the AWD light circuit.
<Ref. to 5AT(diag)-29, INSPECTION, AWD Warning Light Display.>
B: INSPECTION
DIAGNOSIS:
TROUBLE SYMPTOM:
WIRING DIAGRAM:


Diagnostic Procedure for Subaru Select Monitor Communication
A: COMMUNICATION FOR INITIALIZING IMPOSSIBLE
DIAGNOSIS:
Defective harness connector
TROUBLE SYMPTOM:
Subaru Select Monitor communication failure
WIRING DIAGRAM:




Automatic Transmission - List of Diagnostic Trouble Code (DTC)
General Description of Manual Transmission
DTC P0453, P0456, P0457, P0458, P0459, P0461, P04632, P0463, P0464, P0500,
P0506, P0507, P050A, P050B, P0512, P0604, P0607, P0638, P0700, P0851, P0852,
P1152, P1153
Spot Map Light