A: LIST




Diagnostic Procedure with Diagnostic Trouble Code (DTC)
A: DTC C0021 FRONT RIGHT ABS SENSOR CIRCUIT OPEN OR SHORT
NOTE: For the diagnostic procedure, refer to "DTC C0027 REAR LEFT ABS SENSOR CIRCUIT OPEN OR SHORT". <Ref. to VDC(diag)-40, DTC C0027 REAR LEFT ABS SENSOR CIRCUIT OPEN OR SHORT, Diagnostic Procedure with Diagnostic Trouble Code (DTC).>
B: DTC C0023 FRONT LEFT ABS SENSOR CIRCUIT OPEN OR SHORT
NOTE: For the diagnostic procedure, refer to "DTC C0027 REAR LEFT ABS SENSOR CIRCUIT OPEN OR SHORT". <Ref. to VDC(diag)-40, DTC C0027 REAR LEFT ABS SENSOR CIRCUIT OPEN OR SHORT, Diagnostic Procedure with Diagnostic Trouble Code (DTC).>
C: DTC C0025 REAR RIGHT ABS SENSOR CIRCUIT OPEN OR SHORT
NOTE: For the diagnostic procedure, refer to "DTC C0027 REAR LEFT ABS SENSOR CIRCUIT OPEN OR SHORT". <Ref. to VDC(diag)-40, DTC C0027 REAR LEFT ABS SENSOR CIRCUIT OPEN OR SHORT, Diagnostic Procedure with Diagnostic Trouble Code (DTC).>
D: DTC C0027 REAR LEFT ABS SENSOR CIRCUIT OPEN OR SHORT
DTC DETECTING CONDITION:
TROUBLE SYMPTOM:
WIRING DIAGRAM:




E: DTC C0022 FRONT RIGHT ABS SENSOR SIGNAL
NOTE: For the diagnostic procedure, refer to "DTC C0028 REAR LEFT ABS SENSOR SIGNAL". <Ref. to VDC(diag)- 43, DTC C0028 REAR LEFT ABS SENSOR SIGNAL, Diagnostic Procedure with Diagnostic Trouble Code (DTC).>
F: DTC C0024 FRONT LEFT ABS SENSOR SIGNAL
NOTE: For the diagnostic procedure, refer to "DTC C0028 REAR LEFT ABS SENSOR SIGNAL". <Ref. to VDC(diag)- 43, DTC C0028 REAR LEFT ABS SENSOR SIGNAL, Diagnostic Procedure with Diagnostic Trouble Code (DTC).>
G: DTC C0026 REAR RIGHT ABS SENSOR SIGNAL
NOTE: For the diagnostic procedure, refer to "DTC C0028 REAR LEFT ABS SENSOR SIGNAL". <Ref. to VDC(diag)- 43, DTC C0028 REAR LEFT ABS SENSOR SIGNAL, Diagnostic Procedure with Diagnostic Trouble Code (DTC).>
H: DTC C0028 REAR LEFT ABS SENSOR SIGNAL
DTC DETECTING CONDITION:
TROUBLE SYMPTOM:
WIRING DIAGRAM:




I: DTC C0031 FR HOLD VALVE MALFUNCTION
NOTE: For the diagnostic procedure, refer to "DTC C0064 NORMAL CLOSING VALVE 2 MALFUNCTION". <Ref. to VDC(diag)-47, DTC C0064 NORMAL CLOSING VALVE 2 MALFUNCTION, Diagnostic Procedure with Diagnostic Trouble Code (DTC).>
J: DTC C0032 FR PRESSURE REDUCING VALVE MALFUNCTION
NOTE: For the diagnostic procedure, refer to "DTC C0064 NORMAL CLOSING VALVE 2 MALFUNCTION". <Ref. to VDC(diag)-47, DTC C0064 NORMAL CLOSING VALVE 2 MALFUNCTION, Diagnostic Procedure with Diagnostic Trouble Code (DTC).>
K: DTC C0033 FL HOLD VALVE MALFUNCTION
NOTE: For the diagnostic procedure, refer to "DTC C0064 NORMAL CLOSING VALVE 2 MALFUNCTION". <Ref. to VDC(diag)-47, DTC C0064 NORMAL CLOSING VALVE 2 MALFUNCTION, Diagnostic Procedure with Diagnostic Trouble Code (DTC).>
L: DTC C0034 FL PRESSURE REDUCING VALVE MALFUNCTION
NOTE: For the diagnostic procedure, refer to "DTC C0064 NORMAL CLOSING VALVE 2 MALFUNCTION". <Ref. to VDC(diag)-47, DTC C0064 NORMAL CLOSING VALVE 2 MALFUNCTION, Diagnostic Procedure with Diagnostic Trouble Code (DTC).>
M: DTC C0035 RR HOLD VALVE MALFUNCTION
NOTE: For the diagnostic procedure, refer to "DTC C0064 NORMAL CLOSING VALVE 2 MALFUNCTION". <Ref. to VDC(diag)-47, DTC C0064 NORMAL CLOSING VALVE 2 MALFUNCTION, Diagnostic Procedure with Diagnostic Trouble Code (DTC).>
N: DTC C0036 RR PRESSURE REDUCING VALVE MALFUNCTION
NOTE: For the diagnostic procedure, refer to "DTC C0064 NORMAL CLOSING VALVE 2 MALFUNCTION". <Ref. to VDC(diag)-47, DTC C0064 NORMAL CLOSING VALVE 2 MALFUNCTION, Diagnostic Procedure with Diagnostic Trouble Code (DTC).>
O: DTC C0037 RL HOLD VALVE MALFUNCTION
NOTE: For the diagnostic procedure, refer to "DTC C0064 NORMAL CLOSING VALVE 2 MALFUNCTION". <Ref. to VDC(diag)-47, DTC C0064 NORMAL CLOSING VALVE 2 MALFUNCTION, Diagnostic Procedure with Diagnostic Trouble Code (DTC).>
P: DTC C0038 RL PRESSURE REDUCING VALVE MALFUNCTION
NOTE: For the diagnostic procedure, refer to "DTC C0064 NORMAL CLOSING VALVE 2 MALFUNCTION". <Ref. to VDC(diag)-47, DTC C0064 NORMAL CLOSING VALVE 2 MALFUNCTION, Diagnostic Procedure with Diagnostic Trouble Code (DTC).>
Q: DTC C0061 NORMAL OPENING VALVE 1 MALFUNCTION
NOTE: For the diagnostic procedure, refer to "DTC C0064 NORMAL CLOSING VALVE 2 MALFUNCTION". <Ref. to VDC(diag)-47, DTC C0064 NORMAL CLOSING VALVE 2 MALFUNCTION, Diagnostic Procedure with Diagnostic Trouble Code (DTC).>
R: DTC C0062 NORMAL OPENING VALVE 2 MALFUNCTION
NOTE: For the diagnostic procedure, refer to "DTC C0064 NORMAL CLOSING VALVE 2 MALFUNCTION". <Ref. to VDC(diag)-47, DTC C0064 NORMAL CLOSING VALVE 2 MALFUNCTION, Diagnostic Procedure with Diagnostic Trouble Code (DTC).>
S: DTC C0063 NORMAL CLOSING VALVE 1 MALFUNCTION
NOTE: For the diagnostic procedure, refer to "DTC C0064 NORMAL CLOSING VALVE 2 MALFUNCTION". <Ref. to VDC(diag)-47, DTC C0064 NORMAL CLOSING VALVE 2 MALFUNCTION, Diagnostic Procedure with Diagnostic Trouble Code (DTC).>
T: DTC C0064 NORMAL CLOSING VALVE 2 MALFUNCTION
DTC DETECTING CONDITION:
TROUBLE SYMPTOM:
WIRING DIAGRAM:


U: DTC C0041 ECM
DTC DETECTING CONDITION:
Defective VDCCM&H/U
TROUBLE SYMPTOM:
WIRING DIAGRAM:



V: DTC C0041 PARAMETER SELECTION ERROR
DTC DETECTING CONDITION:
VDCCM parameter selection error
TROUBLE SYMPTOM:
NOTE: When the VDCCM&H/U is replaced, this DTC may be stored.

W: DTC C0042 POWER SUPPLY VOLTAGE FAILURE
DTC DETECTING CONDITION:
Improper VDCCM&H/U power supply voltage
TROUBLE SYMPTOM:
NOTE: Warning lights go off if voltage returns.
WIRING DIAGRAM:


X: DTC C0044 TCM COMMUNICATION CIRCUIT
DTC DETECTING CONDITION:
No CAN signal from TCM.
TROUBLE SYMPTOM:

Y: DTC C0045 TCM MALFUNCTION
DTC DETECTING CONDITION:
Defective TCM
TROUBLE SYMPTOM:

Z: DTC C0045 INCORRECT VDC CONTROL MODULE SPECIFICATIONS
DTC DETECTING CONDITION:
Different control module specification
TROUBLE SYMPTOM:
NOTE: When parameter selection for VDCCM is improper, this DTC may be memorized.


AA:DTC C0046 BODY INTEGRATED MODULE COMMUNICATION CIRCUIT
DTC DETECTING CONDITION:
No CAN signal received from body integrated unit.
TROUBLE SYMPTOM:

AB:DTC C0047 CAN COMMUNICATION
DTC DETECTING CONDITION:
CAN communication line circuit is open or shorted.
TROUBLE SYMPTOM:
WIRING DIAGRAM:



AC:DTC C0048 PARKING BRAKE SYSTEM COMMUNICATION CIRCUIT
DTC DETECTING CONDITION:
No CAN signal from parking brake control module.
TROUBLE SYMPTOM:

AD:DTC C0051 VALVE RELAY
DTC DETECTING CONDITION:
Defective valve relay
TROUBLE SYMPTOM:
WIRING DIAGRAM:


AE:DTC C0052 MOTOR MALFUNCTION
DTC DETECTING CONDITION:
TROUBLE SYMPTOM:
WIRING DIAGRAM:



AF:DTC C0054 BLS OFF MALFUNCTION
DTC DETECTING CONDITION:
Defective stop light switch
TROUBLE SYMPTOM:
WIRING DIAGRAM:



AG:DTC C0054 BLS ON MALFUNCTION
DTC DETECTING CONDITION:
Defective stop light switch
TROUBLE SYMPTOM:
WIRING DIAGRAM:



AH:DTC C0056 G SENSOR ABNORMAL
DTC DETECTING CONDITION:
Longitudinal G sensor signal failure
TROUBLE SYMPTOM:
NOTE: For the diagnostic procedure, refer to "DTC C0056 G SENSOR SIGNAL". <Ref. to VDC(diag)-71, DTC C0056 G SENSOR SIGNAL, Diagnostic Procedure with Diagnostic Trouble Code (DTC).>
AI: DTC C0056 G SENSOR SIGNAL
DTC DETECTING CONDITION:
Longitudinal G sensor signal failure
TROUBLE SYMPTOM:


AJ:DTC C0057 ECM COMMUNICATION CIRCUIT
DTC DETECTING CONDITION:
No CAN signal from ECM.
TROUBLE SYMPTOM:

AK:DTC C0057 ECM CONTROL SYSTEM
DTC DETECTING CONDITION:
ECM malfunctioning
TROUBLE SYMPTOM:

AL:DTC C0057 VDC INTERRUPTED DUE TO EGI REASON
DTC DETECTING CONDITION:
ECM prohibits the cooperation control.
TROUBLE SYMPTOM:
NOTE:
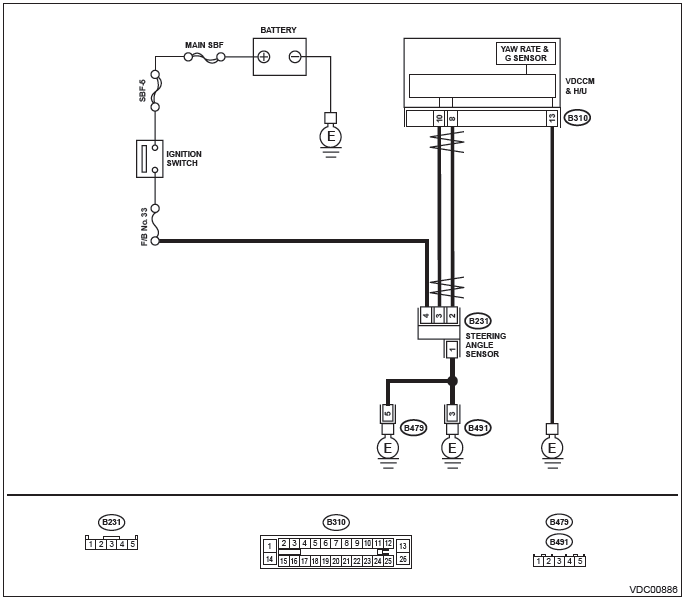
AM:DTC C0071 NO SIGNAL FROM STEERING ANGLE SENSOR
DTC DETECTING CONDITION:
Communication from steering angle sensor is faulty.
TROUBLE SYMPTOM:
WIRING DIAGRAM:



AN:DTC C0071 STEER ANGLE SENSOR OP
DTC DETECTING CONDITION:
Steering angle sensor output is faulty.
TROUBLE SYMPTOM:
WIRING DIAGRAM:




AO:DTC C0072 ABNORMAL YAW RATE SENSOR OUTPUT
DTC DETECTING CONDITION:
Defective yaw rate sensor
TROUBLE SYMPTOM:
WIRING DIAGRAM:



AP:DTC C0073 LATERAL G SENSOR POWER/OUTPUT
NOTE: For the diagnostic procedure, refer to "DTC C0073 ABNORMAL LATERAL G SENSOR OUTPUT". <Ref. to VDC(diag)-84, DTC C0073 ABNORMAL LATERAL G SENSOR OUTPUT, Diagnostic Procedure with Diagnostic Trouble Code (DTC).>
AQ:DTC C0073 ABNORMAL LATERAL G SENSOR OUTPUT
DTC DETECTING CONDITION:
Defective lateral G sensor
TROUBLE SYMPTOM:
WIRING DIAGRAM:



AR:DTC C0074 MASTER CYLINDER PRESSURE SENSOR OUTPUT
DTC DETECTING CONDITION:
Defective pressure sensor
TROUBLE SYMPTOM:

AS:DTC C0075 WHEEL CYLINDER PRESSURE SENSOR OUTPUT
DTC DETECTING CONDITION:
Different VDCCM&H/U specification
NOTE: When this DTC is displayed, replace the VDCCM&H/U. <Ref. to VDC-9, VDC Control Module and Hydraulic Control Unit (VDCCM&H/U).>
AT:DTC C0081 SYSTEM FAILURE
DTC DETECTING CONDITION:
VDC long time sequential control
TROUBLE SYMPTOM:


General Diagnostic Table
A: INSPECTION




General Description of Brakes
Front Brake Pad
Power seat (if equipped)
XMTM satellite radio reception tips for antenna on the windshield (for U.S.A.
only — if equipped)