Subaru Outback (BR): Parking Brake - List of Diagnostic Trouble Code (DTC)
A: LIST


Diagnostic Procedure with Diagnostic Trouble Code (DTC)
A: DTC C0221 PARKING POSITION SWITCH
DTC DETECTING CONDITION:
- Defective parking brake switch
- Defective harness connector
TROUBLE SYMPTOM:
- Electronic parking brake warning light illuminates. (C6 model)
- Brake warning light blinks. (Models other than C6 model)
- Parking brake system does not operate.
NOTE:
- When the parking brake switch is stopped at the mid-operation, or operated too slowly, this DTC may be stored; this is not malfunction, however.
- When the parking brake switch is pressed or pulled for 90 seconds or more, subsequent switch operations are not accepted. At this time, the electronic parking brake warning light illuminates on C6 model, or the brake warning light blinks on models other than C6 model. When turning the ignition switch from OFF to ON, the operation enabled status is restored.
WIRING DIAGRAM:


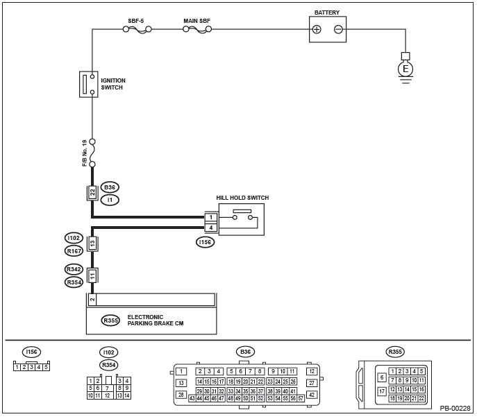
B: DTC C0222 HILL HOLD SWITCH CIRCUIT
DTC DETECTING CONDITION:
- Defective hill hold switch
- Defective harness connector
TROUBLE SYMPTOM:
- Electronic parking brake warning light illuminates. (C6 model)
- Brake warning light blinks. (Models other than C6 model)
- Hill hold function cannot be set.
NOTE: When hill hold switch is pressed for 30 seconds or more, hill hold indicator goes off, and subsequent switch operations are not accepted. At this time, the electronic parking brake warning light illuminates on C6 model, or the brake warning light blinks on models other than C6 model. When turning the ignition switch from OFF to ON, the operation enabled status is restored.
WIRING DIAGRAM:


C: DTC C0231 ECM FAILURE
DTC DETECTING CONDITION:
Faulty signal received from engine control module (ECM)
TROUBLE SYMPTOM:
- Electronic parking brake warning light illuminates. (C6 model)
- Brake warning light blinks. (Models other than C6 model)
- Hill hold function and accelerator interlocking release function do not operate.
NOTE: Refer to EN section for diagnostic procedure. <Ref. to EN(H4SO)(diag)-2, Basic Diagnostic Procedure.>
<Ref. to EN(H4DOTC)(diag)-2, Basic Diagnostic Procedure.> <Ref. to EN(H6DO)(diag)-2, Basic Diagnostic Procedure.>
D: DTC C0232 AT ABNORMAL
DTC DETECTING CONDITION:
Faulty signal received from transmission control module (TCM)
TROUBLE SYMPTOM:
- Electronic parking brake warning light illuminates. (C6 model)
- Brake warning light blinks. (Models other than C6 model)
- Hill hold function and accelerator interlocking release function do not operate.
NOTE: Refer to CVT or 5AT section for diagnostic procedure. <Ref. to CVT(diag)-2, Basic Diagnostic Procedure.>
<Ref. to 5AT(diag)-2, Basic Diagnostic Procedure.>
E: DTC C0233 MT SHIFT SWITCH CIRCUIT
DTC DETECTING CONDITION:
- Defective neutral position switch
- Defective back-up light switch
- Defective harness connector
TROUBLE SYMPTOM:
- Electronic parking brake warning light illuminates. (C6 model)
- Brake warning light blinks. (Models other than C6 model)
- Hill hold function and accelerator interlocking release function do not operate.
WIRING DIAGRAM:


F: DTC C0234 VDC FAILURE
DTC DETECTING CONDITION:
Faulty signal received from VDC control module
TROUBLE SYMPTOM:
- Electronic parking brake warning light illuminates. (C6 model)
- Brake warning light blinks. (Models other than C6 model)
- Hill hold function and accelerator interlocking release function do not operate.
- Parking brake system occasionally may not operate.
NOTE: Refer to VDC section for diagnostic procedure. <Ref. to VDC(diag)-2, Basic Diagnostic Procedure.>
G: DTC C0235 IGNITION SWITCH CIRCUIT
DTC DETECTING CONDITION:
IGN input of the electronic parking brake control module and IGN input of VDC control module do not match.
TROUBLE SYMPTOM:
- Parking brake cannot be released.
- Electronic parking brake warning light illuminates. (C6 model)
- Brake warning light blinks. (Models other than C6 model)
- Hill hold function and accelerator interlocking release function do not operate.
WIRING DIAGRAM:


H: DTC C0241 ELECTRICAL CONTROL MODULE
DTC DETECTING CONDITION:
Defective electronic parking brake control module
TROUBLE SYMPTOM:
- Electronic parking brake warning light illuminates. (C6 model)
- Brake warning light blinks. (Models other than C6 model)
- Parking brake system does not operate.
WIRING DIAGRAM:


I: DTC C0242 POWER SUPPLY VOLTAGE FAILURE
DTC DETECTING CONDITION:
Defective power supply voltage for the electronic parking brake control module
TROUBLE SYMPTOM:
- Electronic parking brake warning light illuminates. (C6 model)
- Brake warning light blinks. (Models other than C6 model)
- Parking brake system does not operate.
NOTE: Warning lights go off if voltage returns.
WIRING DIAGRAM:


J: DTC C0242 INTERNAL POWER SUPPLY VOLTAGE ABNORMAL
NOTE: For the diagnostic procedure, refer to DTC C0242 "Power Supply Voltage Failure". <Ref. to PB(diag)-49, DTC C0242 POWER SUPPLY VOLTAGE FAILURE, Diagnostic Procedure with Diagnostic Trouble Code (DTC).>
K: DTC C0243 PARAMETER SELECTION ERROR
DTC DETECTING CONDITION:
Parameter selection error for the electronic parking brake control module
TROUBLE SYMPTOM:
- Electronic parking brake warning light illuminates. (C6 model)
- Brake warning light blinks. (Models other than C6 model)
- Hill hold function and accelerator interlocking release function do not operate.
NOTE: After performing Parameter Initialization Mode, make sure to perform the Force Sensor Calibration Mode and Clutch Sensor Calibration Mode. <Ref. to PB(diag)-18, FORCE SENSOR CALIBRATION MODE, OPERATION, Subaru Select Monitor.> <Ref. to PB(diag)-20, CLUTCH SENSOR CALIBRATION MODE, OPERATION, Subaru Select Monitor.>

L: DTC C0251 ACTUATOR LINE (ABNORMAL)
DTC DETECTING CONDITION:
Defective electronic parking brake control module
TROUBLE SYMPTOM:
- Electronic parking brake warning light illuminates. (C6 model)
- Brake warning light blinks. (Models other than C6 model)
- Parking brake system does not operate.
WIRING DIAGRAM:


M: DTC C0252 MOTOR MALFUNCTION
NOTE:
- For the diagnostic procedure, refer to DTC C0251 "Actuator Line (abnormal)". <Ref. to PB(diag)-52, DTC C0251 ACTUATOR LINE (ABNORMAL), Diagnostic Procedure with Diagnostic Trouble Code (DTC).>
- When the operation and release of the parking brake is repeated excessively, this DTC may be stored.
N: DTC C0253 ACTUATOR STROKE EXCESS
DTC DETECTING CONDITION:
Actuator stroke too long
TROUBLE SYMPTOM:
- Brake warning light blinks.
- Electronic parking brake warning light illuminates. (C6 model)
- Parking brake system does not operate.

O: DTC C0261 IMPROPER CAN COMMUNICATION
DTC DETECTING CONDITION:
Defective CAN communication
TROUBLE SYMPTOM:
- Electronic parking brake warning light illuminates. (C6 model)
- Brake warning light blinks. (Models other than C6 model)
- Parking brake system does not operate.
NOTE: Refer to LAN section for diagnostic procedure. <Ref. to LAN(diag)-2, Basic Diagnostic Procedure.>
P: DTC C0262 TCM COMMUNICATION CIRCUIT
DTC DETECTING CONDITION:
No CAN signal received from transmission control module (TCM).
TROUBLE SYMPTOM:
- Electronic parking brake warning light illuminates. (C6 model)
- Brake warning light blinks. (Models other than C6 model)
- Hill hold function and accelerator interlocking release function do not operate.

Q: DTC C0263 ECM COMMUNICATION CIRCUIT
DTC DETECTING CONDITION:
No CAN signal received from engine control module (ECM).
TROUBLE SYMPTOM:
- Electronic parking brake warning light illuminates. (C6 model)
- Brake warning light blinks. (Models other than C6 model)
- Hill hold function and accelerator interlocking release function do not operate.

R: DTC C0264 VDC COMMUNICATION SYSTEM
DTC DETECTING CONDITION:
No CAN signal received from VDC control module.
TROUBLE SYMPTOM:
- Electronic parking brake warning light illuminates. (C6 model)
- Brake warning light blinks. (Models other than C6 model)
- Parking brake system does not operate.

S: DTC C0265 BODY INTEGRATED MODULE COMMUNICATION CIRCUIT
DTC DETECTING CONDITION:
No CAN signal received from body integrated unit.
TROUBLE SYMPTOM:
- Electronic parking brake warning light illuminates. (C6 model)
- Brake warning light blinks. (Models other than C6 model)
- Hill hold function and accelerator interlocking release function do not operate.

T: DTC C0267 METER COMMUNICATION SYSTEM
DTC DETECTING CONDITION:
No CAN signal received from combination meter.
TROUBLE SYMPTOM:
- Electronic parking brake warning light illuminates. (C6 model)
- Brake warning light blinks. (Models other than C6 model)
- Hill hold function and accelerator interlocking release function do not operate.

U: DTC C0271 FORCE SENSOR LINE (ABNORMAL)
NOTE: For the diagnostic procedure, refer to DTC C0251 "Actuator Line (abnormal)". <Ref. to PB(diag)-52, DTC C0251 ACTUATOR LINE (ABNORMAL), Diagnostic Procedure with Diagnostic Trouble Code (DTC).>
V: DTC C0272 TEMPERATURE SENSOR LINE (ABNORMAL)
NOTE:
- For the diagnostic procedure, refer to DTC C0251 "Actuator Line (abnormal)". <Ref. to PB(diag)-52, DTC C0251 ACTUATOR LINE (ABNORMAL), Diagnostic Procedure with Diagnostic Trouble Code (DTC).>
- When the operation and release of the parking brake is repeated excessively, this DTC may be stored.
W: DTC C0273 STROKE SENSOR LINE (ABNORMAL)
NOTE: For the diagnostic procedure, refer to DTC C0251 "Actuator Line (abnormal)". <Ref. to PB(diag)-52, DTC C0251 ACTUATOR LINE (ABNORMAL), Diagnostic Procedure with Diagnostic Trouble Code (DTC).>
X: DTC C0274 CLUTCH SENSOR CIRCUIT
DTC DETECTING CONDITION:
- Defective clutch stroke sensor
- Defective harness connector
TROUBLE SYMPTOM:
- Electronic parking brake warning light illuminates. (C6 model)
- Brake warning light blinks. (Models other than C6 model)
- Hill hold function and accelerator interlocking release function do not operate.
- Parking brake is not released even after depressing the clutch pedal to release the parking brake switch.
WIRING DIAGRAM:



Y: DTC C0275 LONGITUDINAL G SENSOR CIRCUIT
DTC DETECTING CONDITION:
- Defective longitudinal G sensor
- Defective harness connector
TROUBLE SYMPTOM:
- Electronic parking brake warning light illuminates. (C6 model)
- Brake warning light blinks. (Models other than C6 model)
- Hill hold function and accelerator interlocking release function do not operate.


Z: DTC C0281 MID STOP CONDITION
DTC DETECTING CONDITION:
Actuator stops in the mid-stroke
TROUBLE SYMPTOM:
Brake warning light blinks.
NOTE:
- When the actuator stops in the mid-stroke due to power supply error (ex. voltage drop during cranking) during the operation, this DTC is stored. If the actuator operates normally after operating and then releasing the parking brake again, this is not malfunction.
- When being restored from the mid-stroke stop state, the actuator will have full-stroke once, and therefore, operation time may take approximately 10 seconds.

AA:DTC C0282 EMERGENCY CANCEL STATUS
DTC DETECTING CONDITION:
Emergency release (manual release) of the parking brake was performed.
TROUBLE SYMPTOM:
Brake warning light blinks.
NOTE:
- When emergency release of the parking brake is performed, this DTC is stored. If the actuator operates normally after operating and then releasing the parking brake following the emergency release, this is not malfunction. When the actuator operates normally, the brake warning light goes off.
- When being restored from emergency release state, the actuator will have full-stroke once, and therefore, operation time may take approximately 10 seconds.
- When emergency release is performed, check the electronic parking brake control module and brake shoe. For details, refer to the restoring procedures after emergency release. <Ref. to PB-20, INSPECTION, Emergency Release of Electronic Parking Brake.>

General Diagnostic Table
A: INSPECTION

READ NEXT:
A: SPECIFICATION
B: COMPONENT
1. STEERING WHEEL AND COLUMN
Bushing
Insulator (CVT model)
Steering shaft
Knee protector
Steering roll connector
Column cover
A: REMOVAL
1) Disconnect the negative terminal from the battery, and wait for 60 seconds
or more.
2) Set the tire to the straight-ahead position.
3) Remove the driver's airbag module assembly.
Pu
SEE MORE:
A: REMOVAL
1) Disconnect the ground cable from battery.
2) Remove the glove box lid assembly.
3) Remove the main relay from the relay holder.
B: INSTALLATION
Install in the reverse order of removal.
C: INSPECTION
1) Check that the main relay has no deformation,
cracks or other damages.
2) Measur
In service mode, the remote engine start function is temporarily disabled to
prevent the system from unexpectedly starting the engine while being serviced.
To engage or disengage service mode:
1. Enter the vehicle and close all vehicle doors and the trunk/rear gate.
2. Verify that the select le